卓胜微深度解析:站在第二成长曲线起点
- 来源:招商证券
- 发布时间:2021/08/27
- 浏览次数:5719
- 举报
一、卓胜微:国内射频前端龙头,多元产品布局
1、主营射频前端芯片,管理团队具备海外大厂经验
卓胜微成立于2006年,以数字电视收发芯片起家,2013年开始转型射频前端芯片,2014年公司以Switch和LNA进入三星手机产业链,2015年进入小米手机供应链,2019年公司切入华为产业链,同年6月公司在创业板上市,成为国内射频前端第一股,2020年新产品Tuner、5G LFEM快速起量,DiFEM小规模量产。
公司三位创始人具备丰富的海外射频龙头工作背景、半导体行业创业经验,为公司在技术、销售及管理经验上奠定基础。且公司股权结构稳定,三位创始人为一致行动人。
CEO许志瀚:1972年生,清华计算机本硕、美国圣克拉拉大学电子硕士。1998-2000年东芝美国工程师;2000-2001 ATOGA SYSTEM(数字电视行业)主任工程师; 2002 年 5 月至 2004 年 7月,杭州中天微(CPU,后被阿里收购整合为平头哥)创始人之一、第二大股东 。
CTO唐壮:1973 年出生,北大物理本,美国伊利诺伊香槟电子硕博。2000-2006年WJ(Qorvo前身)主任科学家,主持进行了 WiMax 功放设计、基站功放模块设计、线性功放设计、多种工艺下射频器件的开发和技术平台开发。
COO冯晨晖:1966年生,清华电子本硕,2001-2005博通主任工程师。
公司重视技术发展,上市以后研发投入大幅增长。公司2019年上市以后,研发投入与业绩同步高速增长,2018-2020年从0.68亿元增长到1.82亿元,CAGR + 63.6%。2020年研发支出收入占比为7%。不过与海外龙头相比依然有较大差距,根据海外龙头年报,2020年Skyworks与Qorvo研发支出高达4.6亿、5.7亿美元,收入占比为13.8%、14.2%。
公司亦重视人才团队的培养、团队稳定性。上市以来研发人员数量快速增长,2018-2020年研发人员数量从70人增长到202人,研发人员人数占比从54%提升到73%。为了维持技术及管理团队的积极性和稳定性,2020年公司推出股权激励计划,向中层管理人员及技术(业务)骨干 (45人)授予限制性股票9万股。和海外公司相比有差距,海外龙头Skyworks、Qorvo分别拥有研发人员10000、8400人。
2、行业趋势:5G驱动射频前端量价齐升,模块化趋势不断演进
射频前端行业主要包含滤波器(Filter)、功率放大器(PA)、射频开关(Switch/Tuner)、低噪声放大器(LNA)四种器件组成,其中卓胜微起步阶段主营业务为射频开关和LNA。
滤波器(包含双工器、三工器等):在发射及接收通路中都有应用,用于滤除特定频率的信号,得到一个特定频率的电源信号,或消除一个特定频率后的电源信号。
双工器由两个不同频率的带阻滤波器组成,因为频分复用(FDD),接收和发射通道会同时运作,双工器用来防止接收信号被发射信号干扰,随着下行载波聚合要求(三载波、四载波甚至五载波聚合)的增加,三工器、四工器等多工器的需求也逐渐增加;
功率放大器:应用于发射通道中,用于将射频信号放大。
开关(包含Switch和Tuner):传导开关(Switch)用于实现电路的切换功能,包含接收电路和发射电路的切换、不同频段间的切换等。天线调谐开关(Tuner)主要用于提升天线效率
低噪声放大器:是一种噪声系数微弱的放大器,应用于接收通道中,用于将接收通路中的小信号放大。
滤波器与功率放大器的价值量占比高。滤波器和功率放大器是射频前端的两大核心元件,2019年滤波器、功率放大器各占射频前端总市场47%、32%,而传导开关(Switch)、天线调谐开关(Tuner)和低噪声放大器(LNA)分别占9%、4%、8%。
5G“新频段+新技术”驱动射频前端量价齐升。为了实现5G“高速率、大容量、低延时”,四大技术助力——新增频段&高频化、多天线(MIMO)、载波聚合(CA)、高阶调制。这些新技术驱动射频前端单机价值提升,综合来看,2020年5G手机射频前端ASP约为30美元,考虑到2020年5G主要应用在高端机中,预计未来5G手机射频前端平均ASP约25美元(参考Qorvo、Skyworks数据),和4G全球通手机17~18美金相比,大约增长40%。
随着通信技术升级,模块化是必然趋势。其一,射频器件数量成倍增长,而PCB板面积有限;其二,模块化可以简化手机厂商设计难度、降低研发周期。
从3G到5G,模组的集成度不断提升,难度越来越大。低端模组(如低端PA模组)竞争激烈、价值量低、盈利能力差;高集成度的高端模组盈利能力强,价值量高、被海外巨头所垄断。
因此未来几年模组与分立器件市场并非此消彼长,5G渗透率提升使模组与分立器件市场同步增长。根据Yole对射频前端与分立市场的预测,2018~2025年分立器件Tuner的市场规模复合增速最高,达到13%;其次,发射模组(含PA模组)、分立滤波器、分立Switch&LNA的市场规模复合增速都接近8%;而接收模组增速较慢,仅为2%。
3、竞争优势:大客户优势明显,具备国内最全射频前端版图
射频前端市场集中度高,美日龙头垄断。射频前端技术壁垒极高,目前主要被美国四大巨头-Skyworks、Broadcom、Qorvo、高通,日本厂商村田所垄断,2019年CR5 高达79%。国内厂商主要生产低端分立器件,目前市场份额不足10%。
海外龙头主要采取IDM模式,卓胜微等国内企业早期以Fabless模式为主。射频前端器件采用特殊制造工艺,如化合物半导体、SOI等,工艺壁垒较高。海外龙头历史悠久,一直采用IDM模式,实现设计与制造的紧密结合。而国内厂商成立时间较短,前期不具备建设产线的实力,早期主要采用Fabless+Foundry模式,积累了一定的资本实力后,部分国内厂商(如卓胜微)也开始自建产线,走向IDM模式。
国内射频前端厂商众多,但是以低价值量的单一分立器件或者低集成度模组产品为主。不同器件的国产化率由高到低分别为:开关、低噪声放大器LNA、功率放大器PA、SAW滤波器、BAW滤波器。
开关/LNA:技术难度低、国产化率相对高,卓胜微目前已经占据了全球射频开关(包含Switch和Tuner,分立式及模组中的开关)约15%市场份额,国内唯捷创芯、飞骧科技、韦尔股份、迦美信芯等厂商也具备开关生产能力,综合国产占比约20%。LNA市场规模占比也相对较高,国产比例接近15%。
PA:采用化合物半导体工艺,国内厂商大多采用Fabless模式,厂商众多,但同质化比较严重,盈利能力较差。目前龙头厂商如唯捷创芯、已经开始量产5G产品,国产化率约10%。
SAW滤波器:日本龙头厂商采用IDM模式封锁工艺壁垒,国内厂商普遍通过自建产线的方式发展,资本投入高,需要know-how积累,国产厂商的进度较慢,国产化率约3%。
BAW滤波器:壁垒最高,工艺流程比SAW滤波器更加复杂,而且海外龙头Avago、Qorvo等进行了完善的专利布局,国内突破的难度大,目前国产化率约等于0。
模块化趋势下,国内厂商崛起的前提是形成完整的产品线,最有希望成为产品线布局较为全面,具备模组能力、并购整合潜力的厂商。
从目前的产品线布局来看,目前卓胜微的产品线布局相对领先。从目前的产品线布局来看,目前卓胜微的产品线布局相对领先、上市时间领先同行,通过IPO及定增募集资金投入SAW滤波器、PA这两个重要产品线的研发,目前前期的投入已经出现成效,目前已经布局了除BAW滤波器之外的全部产品线。
4、成长逻辑:历史成长以射频开关为核心,滤波器及PA打开第二成长曲线
公司历史业绩成长主要以SOI器件为核心,实现大客户份额提升、5G驱动行业成长及公司自身产品线扩张:
1)2014-2020:公司业绩增长主要因为Switch、Tuner、LNA产品在大客户中份额提升,公司陆续切入三星(2014)、小米(2018)、OPPO/VIVO、华为(2019)等安卓大客户,由于2018年中美贸易战、2019年公司上市的驱动,2019-2020年公司在国内安卓客户的份额快速提升。
2)2020-2021H1:5G在智能手机中渗透率快速提升,5G驱动Switch、Tuner、LNA量价齐升;同时2020H2公司切入5G接收模组LFEM等新产品,2020H2-2021份额快速增长。
2018-2021H1年公司业绩快速增长。2018-2020年公司收入从5.6亿元增长到27.9亿元,复合增长123.3%;净利润从1.6亿元增长到10.7亿元,复合增长158.7%。2021年上半年营业收入23.59亿元,同比增长136.48%。归母净利润10.14亿元(此前预告区间9.91-10.25亿元),同比增长187.37%。
展望未来,我们认为公司具备四条成长逻辑,其中前2条依然以SOI技术为核心(第一成长曲线),后2条分别以滤波器、PA为核心(第二成长曲线):
(1)传统产品(Switch、LNA、Tuner):5G驱动量价齐升,公司龙头地位稳固
公司在Switch、Tuner、LNA中龙头地位稳固,在安卓主要客户皆占据较高份额。同时,5G手机中Switch、Tuner、LNA量价齐升,公司显著受益于5G带来的行业增量。
(2)5G LFEM、LNA Bank:以Switch、LNA为核心的模组产品,公司产品优势显著
5G LFEM主要由Switch、LNA、IPD/LTCC滤波器集成,LNA Bank以LNA、Switch为核心,Switch与LNA都是其中核心器件,因此卓胜微积累的射频开关产品优势可以快速复制。2020H2公司陆续推出5G LFEM、LNA Bank, 2020H2-2022公司份额有望快速提升。
以上2条成长逻辑都是基于公司在射频开关积累的产品优势,除了射频开关之外,公司近两年大力投入滤波器、PA的研发,有望打开第二成长曲线。
(3)SAW滤波器:自建产线拓展SAW滤波器产品,2021年底产线有望投入使用
滤波器是射频前端价值量占比最高的器件,是国内厂商迈向中高端的关键。2020年公司定增募集资金22亿元投入滤波器产线建设,2021年底产线有望投入使用,2022年滤波器产线有望实现大规模量产。
(4)功率放大器(PA):拓展PA完善业务版图,进军主集发射模组业务
PA也是射频前端重要器件,公司通过IPO募投项目开始布局PA产品,选择从WiFi FEM起步,逐渐积累自身PA产品力,根据公司2021年中报,5G L-PAMiF已开始送样推广。2025年主集模组市场规模高达104亿美元,未来公司有望实现两大核心器件滤波器、PA的深度融合,进军射频前端价值量最大的主集模组市场。
二、泛SOI产品:5G驱动量价齐升,产能+成本+性能优势稳固龙头地位
1、5G驱动Switch、Tuner量价齐升,SOI产能紧缺
射频开关分为传导开关(Switch)和天线调谐开关(Tuner)两种,天线调谐开关(Tuner)的技术难度高于传导开关(Switch),因为Tuner有着极高的耐压要求,同时导通电阻和关断电容对性能影响极大,由此对产品提出了更高的设计和工艺要求。
随着5G渗透率的提升,Switch和Tuner单机用量快速增长:
Switch:预计全球Switch市场规模将从2020年14.3亿美元上升到2025年23.1亿美元,复合增速10.1%。
Tuner:预计全球Tuner市场规模将从2020年6.2亿美元上升到2025年10.1亿美元,复合增速10.4%。
Switch、Tuner都以CMOS-SOI为主流工艺。SOI(Silicon-On-Insulator,绝缘衬底上的硅)属于特殊工艺,指顶层硅和背衬底之间引入一层埋氧化层。与普通的Si基半导体相比,SOI工艺具有易提升时脉、耗电低、工作温度高的优点;与化合物半导体工艺相比,SOI工艺易于集成化。目前在射频开关市场中,CMOS技术亦占据少量份额,GaAs技术已经面临淘汰。
低噪声放大器(LNA)主要采用SOI和SiGe工艺,未来SOI占比持续提升。SiGe曾经是LNA的主流工艺,SOI与化合物半导体工艺相比,不仅性能优,而且易于与Swich集成,随着未来射频前端集成度的提升,未来SOI占比会持续提升。
Switch和Tuner普遍采取Fabless模式,SOI代工产业链已成熟。产业链上游为SOI晶圆,供应商主要有法国Soitec、日本信越、中国新傲科技(沪硅产业)等,其中法国Soitec是最大的SOI晶圆供应商,生产尺寸主要是6~12英寸,国内厂商新傲科技具备8英寸SOI晶圆生产能力。代工厂主要有美国Global Foundry(GF)、韩国三星、瑞士STM、以色列TowerJazz、中国华虹和中芯国际等,其中Global Foundry是全球最大的SOI代工厂,为Skyworks、Qorvo等国际大厂代工,客户中也有唯捷创芯等国产厂商;TowerJazz的第一大客户为国内射频前端龙头卓胜微。
5G驱动射频器件用量增长,全球SOI产能紧张,产能为王。5G渗透率提升期,射频前端用量提升,海外龙头将重心转向高价值模组及器件(主集模组如PAMID、FEMID,高端SAW/BAW滤波器等),为国内厂商进军低端器件(如开关,接收模组如LFEM、DIFEM)带来好时机。Skyworks与Qorvo在2021全年都将面临产能供不应求,Skyworks的策略是全力保障核心大客户苹果的产品供应,安卓客户如OPPO、VIVO面临供应不足,2021年上半年将部分订单转向国内厂商卓胜微等;Qorvo虽然具备齐全的产线,但由于产能紧缺,只能全力保障发射模组,让出部分接收模组及分立器件市场。
2、Switch、Tuner:公司兼具成本、产能、客户优势,龙头地位稳固
开关和LNA是国产化率较高的射频前端器件。国内有开关和LNA产品的厂商较多,如卓胜微、迦美信芯、紫光展锐、昂瑞微、艾为、飞骧科技、唯捷创芯等,但把开关作为主要产品的公司较少,较为知名的只有卓胜微、迦美信芯、韦尔股份(开关/LNA是公司射频产品线的主要产品),其他厂商大多把开关、LNA作为副线产品。
卓胜微是全球射频开关龙头,卓胜微的主要竞争优势在于:
1)成本及产能优势。卓胜微依靠规模优势与晶圆厂TowerJazz形成保持紧密合作,目前已经成为TowerJazz全球前两大客户,与晶圆厂的紧密合作不仅能保障产能紧缺时期的供应,且公司的晶圆成本显著低于其他厂商,成本优势十分显著。
2)产品优势-高专注带来的丰富且快速迭代的产品优势。卓胜微是少数专注于射频开关领域的公司,相比于其他公司来说产品线更丰富,快速产品迭代也有助于维持利润率。
3)客户优势。目前卓胜微已在安卓核心厂商中占据重要份额,与客户维护了良好合作关系,掌握了先发优势。
凭借以上优势,卓胜微在Switch、Tuner、LNA市场占据稳固的龙头地位:
Switch:公司作为全球龙头,2018-2021年份额持续提升。Switch主要由卓胜微和Qorvo主导,卓胜微在2018年已占据全球33%份额,2019-2021年受中美贸易关系、公司IPO上市等因素驱动,公司在安卓客户中的份额仍在快速增长,目前在S、M、H、O、V等客户中都占据了龙头供应商地位。
Tuner:4G时代Qorvo主导,5G时代卓胜微迎头赶上。2018年属于4G时代,全球Tuner市场规模较小,Qorvo占据Tuner市场68%市场份额,Qorvo的优势在于产品品类齐全,下游包含高端机到低端机,在OEM中机型占据很高份额;高通占据16%份额,客户以三星与LG为主;其他厂商包括Skywoks、英飞凌等。进入5G时代以后,Tuner市场规模的迅速提升,2019年卓胜微市场份额开始快速提升,截止2021年中卓胜微已经在Tuner市场占据较高的份额。
LNA:与Switch的协同效应强,卓胜微是国内龙头。由于LNA市场规模较小,目前市场上并没有专注于LNA产品的厂商,仅作为配套产品,市场格局相对分散。LNA与Switch的协同效应强,LNA也会以SOI为主流工艺(亦有SiGe LNA),且常常配套出现,因为卓胜微在LNA市场中具备很强竞争力。
3、5G接收模组:以开关/LNA为核心,凭借产品优势快速提升份额
按照技术难度从低到高,分集接收模组分为三个等级,其中5G LFEM以SOI工艺的Switch、LNA为核心,难度相对最低;第二、三级模组以滤波器技术主导,难度相对较高。
第一级(5G LFEM):集成LNA、Switch、LC型(IPD或者LTCC)滤波器。LC型滤波器适合3~6GHz大带宽、高频的要求,适用于5G NR部分的n77/n79频段,技术难度较低。此类模组是SOI技术主导。
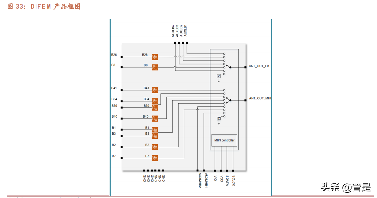
第二级(4G/5G MHB&LB - DiFEM+LNA Bank):DiFEM集成7~15颗SAW滤波器与单刀多掷(SPnT)或者双刀多掷(DPnT)的Switch。此类模组是以SAW滤波器为主导。
第三级(4G/5G MHB&LB - LFEM):集成度最高的接收模组,支持从低频到高频、10~15个频段集成了SAW滤波器、Switch、LNA。此类模组是以SAW滤波器为主导。
滤波器是射频前端模组的关键器件,SAW、BAW滤波器构成4G模组壁垒;而5G主流频段主要采用LTCC/IPD滤波器,难度相比SAW/BAW滤波器大幅降低。4G频段使用的滤波器壁垒极高,主要使用SAW滤波器、BAW滤波器,主流厂商采用IDM模式封锁设计和工艺,因此技术难度很大,目前仅有Murata、Qorvo、Skyworks、Broadcom、RF360(高通)这少数几家海外厂商具备量产能力 ,国内厂商和他们的技术差距很大。而5G主流频段N77、N78、N79是典型的高频、宽频带,适用LTCC/IPD滤波器,国内有几十家厂商具备生产能力,例如麦捷科技、顺络电子等。
5G LFEM模组以SOI技术(即射频开关、LNA)为核心,射频开关龙头卓胜微具备先天优势,前期在射频开关产品上积累的成本、客户、性能优势可以在5G LFEM上复制。卓胜微从2020年下半年开始切入5G LFEM模组市场,在大客户中份额迅速提升,预计2021年就将占据30%以上市场份额。5G手机渗透率、公司份额同步提升,驱动2021-2022年公司业绩增长。
三、滤波器:自建产线拓展SAW滤波器,2021年有望投入使用
1、SAW&BAW滤波器是中高端模组的核心器件,IDM模式是最佳选择
不管是分集接收模组还是主集模组,滤波器都是高端模组最核心、难度最大的器件:
1) 接收模组:第三章已经论述过,中高端接收模组以滤波器技术主导。
2) 主集模组(发射模组):按照技术难度从低到高分为五个等级,低难度模组(1级)以PA为核心,高难度模组(2~5级)以滤波器为核心。
第一级(5G PAMiF):主要由PA与LC型滤波器(IPD或LTCC滤波器)构成,应用在3GHz~6GHz的新增5G频段。此类模组对PA性能要求高,但由于频谱附近干扰少,对滤波器性能要求低,采用简单的IPD或LTCC滤波器即可。技术和成本均由PA主导。
第二、三级(4G/5G LB - FEMiD或PAMiD):LB指的是1GHz以下的4G/5G频段,第三级的PAMiD需集成高性能PA、低频SAW/TC-SAW滤波器(或双工器)。第二级FEMiD的区别在于不含PA,部分中高端机采用FEMID+PA模组来取代PAMID。这类模组需要比较强SAW滤波器能力,另外PAMiD还集成了高性能4G/5G PA。
第四、五级(4G/5G MHB - FEMiD或PAMiD):MHB频率范围是1.5GHz~3.0GHz,频段非常拥挤,需要用到高性能的BAW滤波器。该频率范围内的PA技术相对比较成熟,核心的挑战来自于滤波器。
根据以上分析可知,高端模组最核心的壁垒是高端滤波器。
高端滤波器主要是指SAW和BAW滤波器,采用半导体工艺。滤波器分为表面声波SAW系列(普通SAW/TC-SAW/TF-SAW)、体声波BAW系列(BAW/FBAR/XBAW)、LTCC、IPD四种。SAW和BAW滤波器主要应用于3GHz以下频段,即3G/4G/5G的低频(LB)和中高频(MHB),是目前智能手机的主流滤波器。LTCC和IPD滤波器的技术难度相对较低,是5G主流频段,即超高频(UHB, N77、N79)的主流滤波器方案。
普通SAW:接收端(RX)、部分发射端(TX)端的中低频段; BAW:主要应用于4G高频段; TC-SAW和TF-SAW:主要应用于发射端(TX)高中低频段,但在部分频段性能劣于BAW;TF-SAW已经在发射端(TX)高频段与BAW竞争,性能可媲美BAW; LTCC和IPD:应用于5G超高频。
未来几年IDM模式是国内厂商发展高端SAW、BAW滤波器的必经之路。SAW滤波器主要被日美IDM龙头垄断,主要为日本村田、TDK、太阳诱电,以及美国Skyworks、Qorvo等。BAW滤波器主要被IDM厂商Broadcom和Qorvo垄断,其中Avago的份额超过80%。SAW滤波器和BAW滤波器采用特殊工艺,代工厂缺乏研发产线的动力,因此至少未来2~3年内,自建产线、或者采取虚拟IDM模式是目前生产高端滤波器的必经之路 。
2、公司自建产线拓展SAW滤波器,2021年底有望投入使用
公司通过定增布局SAW滤波器产线,进军高端射频前端器件。2020年公司通过定增募集30亿元投入高端SAW滤波器研发和产线建设、5G基站射频器件研发及产线建设,其中SAW滤波器项目总投资额达到22.7亿元。IDM模式是高端滤波器的必经之路,而产线建设的资本投入很高,卓胜微作为具有大客户优势的上市公司,与同行相比资本优势显著,此次定增项目使卓胜微的SAW滤波器布局走在了国内同行的前列。
公司产线建设进展顺利,已与2021年6月封顶,有望于2021年底投产。根据公司2021年中报,公司芯卓半导体产业化建设项目(SAW滤波器产线建设项目)位于无锡市滨湖区,主体结构已于2021年6月底顺利封顶,计划于年底前投入使用。同时,公司针对芯卓半导体产业化建设项目引进的具有国内外领先企业技术管理经验、技术工艺研发经验和多年丰富生产制造管理经验的人员已逐步到位。
募投项目产线建设拟优化调整、加速建设。2021年8月,公司公告将修改募投项目产线建设方案,拟由原来的与晶圆代工厂合作建立生产专线优化调整为在公司自有厂房自建产线,公司原计划通过与Foundry共同投入资源合作建立前道晶圆生产专线的方式实现滤波器工艺技术和量产能力。但考虑到疫情影响合作双方沟通进度,而厂房已于近期封顶,而公司持续招募的具有国内外领先企业技术管理经验、技术工艺研发经验和多年丰富生产制造管理经验的人员已逐步到位,决定将方案调整为在公司自有厂房自建产线的方式。
SAW滤波器国产化是未来几年大势所趋:
SAW滤波器市场主要的新进入者是国内厂商,国内SAW滤波器企业较多,但主要生产低端产品。根据2018年12月麦捷科技公告,中国估计大约有40家SAW滤波器的大批量供应商,但国内的SAW元件生产量只占到全球共计SAW元件供应量的不到3% ,而且大部分是低价位的产品,在手机SAW滤波器方面还无法与国外厂家匹敌。
近两年终端客户陆续入股SAW滤波器公司,体现出了很强的国产化意志。华为、小米投资无锡好达,华为投资德清华莹,都体现出了客户对国产滤波器发展的重视。同时,近两年国内滤波器厂商的订单规模迅速增长,例如2018-2020年好达电子收入从1.65亿元增长到3.32亿元。
有同行相比,卓胜微在SAW滤波器领域的优势在于:
(1) SAW滤波器与Switch、LNA协同,为客户供应4G接收模组产品:SAW滤波器与公司传统产品具备很强的协同效应,可以为客户供应4G DiFEM模组产品,公司自有产线生产的DiFEM模组有望在2022年量产。
DiFEM主要由SAW滤波器、Switch组成,难点在于SAW滤波器,卓胜微已经实现DiFEM模组的小规模量产,2022年随着自建SAW滤波器产线量产,DiFEM份额有望继续提升。
(2) 资本优势:依靠IPO和定增资金投入滤波器研发和产线,资金实力远超国内同行。 (3) 客户优势:与下游手机客户合作已久,易于新产品拓展。
四、功率放大器:积极发展化合物半导体技术,拓展PA进军主集发射模组
1、PA主要采用GaAs工艺,代工产业正蓬勃发展
功率放大器主要工艺有CMOS、GaAs、GaN,2G 手机PA曾采用CMOS工艺,3G/4G/5G PA手机PA主要采用GaAs工艺。
CMOS(2G手机PA):CMOS具有功耗低、速度快、抗干扰能力强、集成度高等众多优点,是集成电路芯片制备的主流技术。CMOS工艺的优势在于可以将射频、基频与存储器等组件合而为一的高整合度,并同时降低组件成本。
GaAs(3G/4G/5G手机PA):GaAs的电子迁移速率较好,适合用于长距离、长通信时间的高频电路。GaAs元件因电子迁移速率比Si高很多,目前为HBT(异质接面双载子晶体管)。GaAs需要采用磊晶技术制造,这种磊晶圆的直径通常为4-6英寸,比硅晶圆的12英寸要小得多。所以磊晶圆需要特殊的机台,同时砷化镓原材料成本高出硅很多,最终导致GaAs成品IC成本比较高。
目前GaAs PA行业为IDM寡头垄断格局,代工仅占10%。GaAs 射频器件的CR3高达90%,主要被美国三大射频前端IDM龙头Skyworks、Qorvo、Avago垄断。PA很少以分立形式出现,大多数都集成在发射端模组中,所以PA的行业格局与发射端模组格局接近,Skyworks、Qorvo、Avago占据超过80%份额。除了美系三大巨头,高通、村田、国内厂商大多采用Fabless模式,通过代工生产PA产品,目前Fabless厂商在PA市场的占比较低。
代工占比逐渐提高,GaAs代工行业走向成熟。过去GaAs半导体市场规模较小,所以以IDM模式为主。随着市场规模的不断增长以及代工厂工艺技术的成熟,代工模式带来的成本优势逐渐显现,未来代工占比会逐渐提升。目前海外IDM龙头也开始逐渐转向代工模式,以实现轻资产化,减少产能利用率波动对业绩的影响。如2017年Broadcom以1.8亿美元入股稳懋,宣布将所有的PA代工外包给稳懋,目前原IDM厂商Broadcom、Qorvo、Skyworks都将部分PA外包给稳懋、宏捷等,高通、Mutata将所有PA器件外包生产。
从GaAs产业链看,上游衬底、外延材料主要被美日欧厂商垄断。衬底市场集中度高,前三大龙头日本住友、德国弗莱贝格(Freiberger)、美国晶体技术(AXT)合计占据超90%市场份额。外延片行业主要被英国IQE和中国台湾全新光电(VPEC)垄断,2019年两者分别占据53%、26%市场份额。
GaAs代工行业集中度高,以台湾厂商稳懋为主,国内厂商逐渐发展。中国台湾稳懋是GaAs代工行业龙头,被誉为“化合物半导体中的台积电”,2019年占据全球76%份额。其次,中国台湾厂商宏捷、环宇分别占据5.8%、8.1%份额。国内厂商主要包含三安光电旗下的三安集成、海特高新和中电科第二十九研究所合作组建的海威华芯、立昂微等。
2、公司积极拓展PA业务,完善射频前端业务版图
PA是发射模组关键器件,是公司射频业务版图关键一环。公司前期业务主要围绕接收模组,PA是发射模组的核心器件,滤波器和PA的融合是公司完善业务版图的关键。
公司积极布局化合物半导体技术,拓展PA业务:
PA产品注重厂商对于化合物半导体技术的积累,公司IPO募投项目已开始关注PA产品,拟投入2.55亿元做PA产品研发;
2020年公司拓展了WiFi FEM业务,通过WiFi FEM来积累自身的化合物半导体技术;
公司与上游GaAs代工厂紧密合作,计划通过Fabless模式拓展PA产品。
通过多年的技术布局,2021~2022年公司有望实现PA量产,短期以5G主集发射模组与WiFi FEM为主,长期来看,公司的滤波器与PA产品有望深度融合,进军市场更为广阔的4G主集模组(4G发射模组)市场。
WiFi FEM:核心器件是PA,2020年卓胜微的WiFi FEM已实现量产。
5G主集发射模组(L-PAMiF):主要由PA、IPD滤波器、LNA组成,其中PA是核心器件,滤波器难度较低。卓胜微的5G发射模组有望在2021-202年实现量产。根据公司2021年中报,公司5G主集发射端模组产品L-PAMiF并已开始送样推广,主要由射频功率放大器、射频开关、低噪声放大器、滤波器所集成,兼具信号接收和发射功能。公司的PA模组产品在功率、功耗、线性度和灵敏度等性能指标优异。
4G主集发射模组(如PAMiD):主要由滤波器、Switch、LNA组成,集成度很高,对国内厂商的滤波器、PA能力提出很高的要求,短期内依然将是海外厂商主导,是国内厂商的长期成长点。
五、成长路径:对标海外龙头,“内生+并购”打开第二成长曲线
1、海外巨头通过并购整合补齐产品线,形成垄断格局
射频前端市场集中度高,美日龙头垄断。射频前端技术壁垒极高,目前主要被美国四大巨头-Skyworks、Broadcom、Qorvo、高通,日本厂商村田所垄断,2019年CR5 高达79%。
海外巨头为形成模组能力,2015-2016年加速并购重组。2015-2016年全球半导体行业出现并购潮,根据IC Insights数据统计,2015年并购协议总金额达到1073.8亿美元,2016年并购协议总金额达到593.8亿美元,而2010-2015年合计并购金额只有126亿美元。
1)传统射频前端龙头通过并购补齐了产品线:
Qorvo:射频前端巨头RFMD和TriQuint合并成立Qorvo,前者擅长PA研发,后者擅长SAW和BAW滤波器,二者实现技术互补。
Murata:2015年,Murata收购Peregrine半导体,前者擅长滤波器和射频模组,SAW滤波器市占率超45%以上,连接模组市占率超60%;后者擅长射频开关和SOI技术,两者联合推出首个全集成射频前端方案。
Skyworks:2008、2009年分别收购两家PA厂商——Freescale和SiGe, 2014年公司与松下合资成立FilterCo,布局BAW滤波器业务;2016年收购Panasonic射频滤波器部门。
Broadcom:2008年Avago收购了英飞凌的BAW相关业务,2013年收购CMOS PA厂商Javelin,2016年收购通信芯片巨头Broadcom并改名为Broadcom。
2)基带公司通过并购与合作拓展前端业务:高通、联发科、展讯等AP/基带芯片公司纷纷布局射频前端。 高通:2014年并购CMOS PA厂商Black Sand, 2016年与TDK成立合资公司RF360拓展射频前端产品。 联发科:2019年增资当时大陆最大PA公司唯捷创芯。 展讯:2016年与射频前端公司锐迪科合并,并改名紫光展锐。
分立器件竞争激烈,模组厂商赢家通吃。从分立器件到射频前端模组,厂商越来越少。分立器件方面细分市场玩家众多且分散,前端模组只有Broadcom、Qorvo、Skyworks、Murata、高通5家实力雄厚的模组厂商,并且这几家厂商在分立器件领域也极具竞争力。经过并购整合,美日厂商形成寡头垄断,合计占据射频前端近9成市场份额:
第一梯队:美系厂商Broadcom、Qorvo、Skyworks,中高端市场
第二梯队:日系厂商Murata、TDK、Taiyo Yuden,中端市场
第三梯队:韩台陆厂,低端市场
2、卓胜微:内生能力+并购潜力,站在第二成长曲线的起点
我们预计短期内公司将以内生发展为主,长期具备并购优质标的的潜力。回顾海外龙头成长历程,我们认为在模块化趋势下,国内龙头崛起的前提是形成完整的产品线。目前国内厂商处于发展早期,以单一器件为主,将来将从单一器件进军模组市场。卓胜微是国内射频前端布局最全面、业务规模最大的公司,未来将有希望成为国内市场的整合者,通过外延进一步强化业务版图。
站在第二成长曲线的起点,千亿市场即将开启。我们认为SAW滤波器、功率放大器的量产将是公司发展的重要节点,目前已实现量产的产品(分立Switch/LNA、Tuner、5G接收模组)合计2025年市场规模为42亿美元。一旦突破滤波器和PA,公司有机会切入4G接收模组、手机WiFi器件、分立滤波器、主集收发模组产品,这些产品2025年总计市场规模为200亿美元。
六、总结
各产品线营收及毛利率:
(1) 射频分立器件:2021年公司射频分立器件业务受益于5G带来的量、价、利润率齐升,在产能缺货背景下,公司凭借产能+成本+性能优势稳固龙头地位。2022-2023年5G带来的业绩增量减弱,同时可能面临其他厂商竞争,预计射频分立器件业务单价、份额、利润率可能小幅下滑。预计21/22/23年射频分立器件业务收入为34.32/34.13/33.13亿元,同比增长39.4%/-0.5%/-2.9%;毛利率为54.0%/51.0%/50.0%。
(2) 射频模组:2021年公司射频模组业务收入主要受5G LFEM驱动,随着公司SAW滤波器、PA产品的拓展,2022-2023年4G接收模组、5G主集发射模组、4G主集发射模组有望逐渐起量,带动射频模组业务收入持续增长。考虑到射频模组业务竞争逐渐激烈,以及公司SAW滤波器产线带来的折旧,预计2021-2023射频模组业务毛利率逐年下滑。预计21/22/23年射频模组业务收入为13.88/36.77/61.29亿元,同比增长399.4%/164.8%/66.7%;毛利率为65.0%/60.0%/50.0%。
(3) 其他业务:以IP授权业务为主,预计未来将保持小幅增长,21/22/23年其他业务收入为0.6/0.7/0.8亿元,毛利率恒定在52.4%。
三费率及其他:随着公司收入规模的增长,假设后续三费率随着营收体量的增长呈现小幅下滑趋势。
风险提示:
(1)智能手机出货量不及预期:公司两大主要产品主要应用于智能手机等移动终端,不可避免地受到智能手机等产品整体景气度的影响。若智能手机行业景气度下滑,则公司业绩也有受到较大的负面影响。 (2)新产品拓展不及预期:公司所在的行业是技术密集型行业,新产品研发成果具有不确定性,因此公司核心新品滤波器、发射模组具有拓展进度不及预期的风险。 (3)行业竞争加剧:近年来射频前端国产替代机遇吸引了众多厂商入局,市场竞争的日益加剧可能导致公司市场份额降低、利润空间缩小,为公司的盈利带来不利影响。
报告链接:卓胜微深度解析:站在第二成长曲线起点
(本文仅供参考,不代表我们的任何投资建议。如需使用相关信息,请参阅报告原文。)
-
标签
- 卓胜微
- 相关标签
- 相关专题
- 相关文档
- 相关文章
- 全部热门
- 本年热门
- 本季热门
- 1 卓胜微深度解析:滤波器及PA模组迎量产曙光,站在第二成长曲线起点.pdf
- 2 射频芯片龙头卓胜微深度研究报告.pdf
- 3 卓胜微-射频龙头稳步成长,全面布局射频产品条线.pdf
- 4 卓胜微研究报告:卓然创新无止境,胜绝射频赢未来,拓千亿PAMID市场.pdf
- 5 卓胜微研究报告:射频前端芯片龙头,转型平台IDM扬帆起航.pdf
- 6 卓胜微(300782)研究报告:射频前端全面开花,对标国际大厂的进阶之路.pdf
- 7 卓胜微(300782)研究报告:国内射频前端龙头,看明年新品放量+需求回暖.pdf
- 8 卓胜微研究报告:十年磨剑成就射频龙头,自主可控构建强大内核.pdf
- 9 卓胜微(300782)研究报告:射频前端行业翘楚,产业链布局持续推进.pdf
- 10 卓胜微研究报告:PA模组全栈自主可控,新品放量在即.pdf
- 没有相关内容
- 全部热门
- 本年热门
- 本季热门
- 1 2025年卓胜微研究报告:射频前端龙头,厚积方可薄发
- 2 2024年卓胜微研究报告:射频前端芯片龙头,转型平台IDM扬帆起航
- 3 2024年卓胜微研究报告:十年磨剑成就射频龙头,自主可控构建强大内核
- 4 2024年卓胜微研究报告:Fab~Lite高筑护城河,平台龙头再启航
- 5 2024年卓胜微研究报告:卓然创新无止境,胜绝射频赢未来,拓千亿PAMID市场
- 6 2023年卓胜微研究报告:PA模组全栈自主可控,新品放量在即
- 7 2023年卓胜微研究报告:设计与制造兼修,α与β兼具的射频平台
- 8 2023年卓胜微研究报告 专注射频IC十余年
- 9 2022年卓胜微研究报告 主营射频前端产品,产品矩阵日益完整
- 10 2022年卓胜微研究报告 国内射频龙头,由分立器件到射频模组打开成长空间
- 没有相关内容
- 最新文档
- 最新精读
- 1 2026年中国医药行业:全球减重药物市场,千亿蓝海与创新迭代
- 2 2026年银行自营投资手册(三):流动性监管指标对银行投资行为的影响(上)
- 3 2026年香港房地产行业跟踪报告:如何看待本轮香港楼市复苏的本质?
- 4 2026年投资银行业与经纪业行业:复盘投融资平衡周期,如何看待本轮“慢牛”的持续性?
- 5 2026年电子设备、仪器和元件行业“智存新纪元”系列之一:CXL,互联筑池化,破局内存墙
- 6 2026年银行业上市银行Q1及全年业绩展望:业绩弹性释放,关注负债成本优化和中收潜力
- 7 2026年区域经济系列专题研究报告:“都”与“城”相融、疏解与协同并举——现代化首都都市圈空间协同规划详解
- 8 2026年历史6轮油价上行周期对当下交易的启示
- 9 2026年国防军工行业:商业航天革命先驱Starlink深度解析
- 10 2026年创新引领,AI赋能:把握科技产业升级下的投资机会
